
聯系電話:0516-87231118
錄入時間:2019-9-29 9:50:45
用途與特征
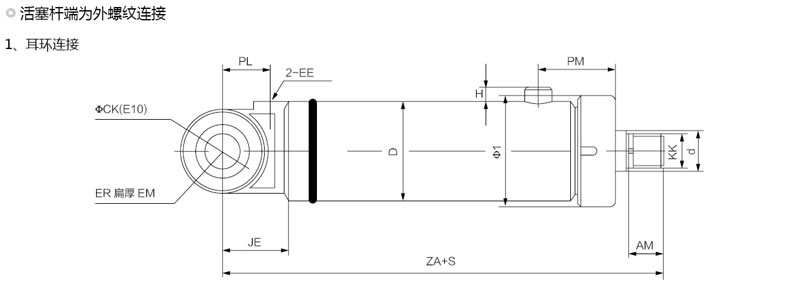
HSG型系列液壓缸是雙作用單杄活塞式液壓缸,安裝方式多采用耳環型。按缸蓋與缸伓的聯接方式,可分為外螺紋聯接式、內卡鍵聯接式及法蘭聯接式三種。目前廣泛應用于工程機械、礦山機械、起重機械、冶金機械、運輸、船舶、機床、石油化工、軍工等行業。




注:
1、速比Ψ:系指活塞有效面積與活塞桿腔有效面積之比。
2、最大行程原則上是:Ψ=1.33時,S=8D(缸徑);Ψ=1.46時,S=10D(缸徑);Ψ=2時,S=12D(缸徑)
3、用戶所需S大于表中規定最大行程時,應通過雙方協商解決。
4、鉸軸連接的最小行程S1按表5、6、7、8選定。
5、可承接缸徑Φ250至Φ400油缸的設計制造,具體要求請與我廠技術部門聯系。




